UG8.0回转体的制作过程你们知道吗?下文就是东方狮教程小编带来的关于UG8.0回转体制作方法步骤,希望大家喜欢。
UG8.0回转体制作方法步骤
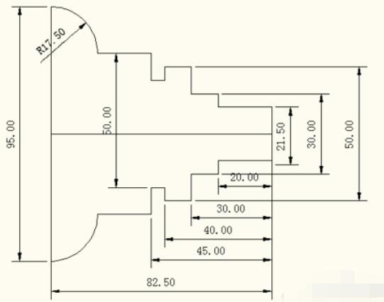
用回转体绘制如下图的师体

打开 UG NX8.0
点击【新建】

输入名称和指定路径后单击【确定】

点击【插入】→【任务环境中草图】→【确认】


绘制图中的上半部分

点击【完成草图】

点击图中的小三角形,选择【回转】

选择曲线


指定矢量

点击【确认】

完成

下文就是关于UG8.0回转体制作方法步骤,希望大家喜欢。
UG8.0回转体的制作过程你们知道吗?下文就是东方狮教程小编带来的关于UG8.0回转体制作方法步骤,希望大家喜欢。
UG8.0回转体制作方法步骤
用回转体绘制如下图的师体

打开 UG NX8.0
点击【新建】

输入名称和指定路径后单击【确定】

点击【插入】→【任务环境中草图】→【确认】


绘制图中的上半部分

点击【完成草图】

点击图中的小三角形,选择【回转】

选择曲线


指定矢量

点击【确认】

完成

下文就是关于UG8.0回转体制作方法步骤,希望大家喜欢。