在使用CAD迷你看图软件时,为了方便查看图纸,常常需要对图纸进行旋转。由于工具栏中并没有旋转图纸的快捷键,很多用户不知道如何操作。下面我们就来详细演示一下使用CAD迷你看图如何旋转图纸。
CAD迷你看图如何旋转图纸?
1、打开CAD迷你看图软件并导入任意图纸,为方便操作,我们就以示例图为例说明,

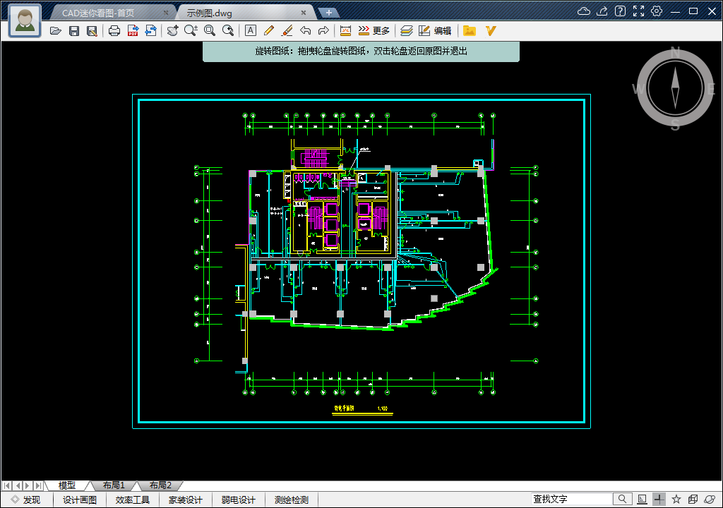
2、在图纸任意空白处右击,在右键下拉菜单中选择并点击【图纸旋转】。

3、在图纸右上角出现一个指针轮盘(图纸方位默认上北下南)。

4、将鼠标放到右上角轮盘上,左键按住任意拖动旋转,可看到图纸随轮盘旋转而旋转。

5、双击轮盘可返回原图并退出图形旋转。

以上就是关于使用CAD迷你看图软件旋转图纸的介绍。当然,除了图纸旋转,在右键下拉菜单中还有【全屏F5】、【搜索文档】、【截图】等实用功能,大家可以自行摸索!