CAD迷你看图作为一款简单实用的CAD快速看图软件,深受用户的喜爱。由于该软件默认背景为黑色,有些用户感觉过于单调或是不利于看图,希望把背景换成其他颜色比如白色。下面我们就来详细演示如何把CAD迷你看图软件的背景换成白色。
CAD迷你看图如何将图纸背景换成白色?
1、打开CAD迷你看图软件,导入任意图纸,可看到图纸默认背景为黑色。

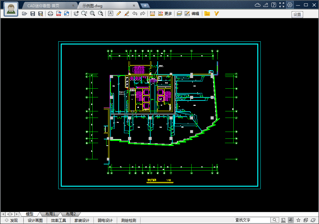
2、点击软件界面右上角齿轮图标。

3、弹出设置窗口,在左侧列表中选择【背景颜色】,可以看到右侧“使用默认背景颜色”默认为黑色。

4、勾选“自定义背景颜色”,然后点击白色方框,弹出颜色窗口;在颜色窗口中选择需要的背景颜色,这里选择“白色”,然后点击颜色窗口左下角的【确定】,关闭颜色窗口。

5、回到设置窗口,点击窗口右下角【确定】。

6、图纸背景由黑色变成了白色。

以上就是关于如何把CAD迷你看图软件的背景换成白色的介绍。当然,大家也可以试着按照本教程将背景换成其他颜色。