相信从事电路设计的技术人员对于立创 EDA 这款设计软件都不会感觉陌生。因为经常会用它来绘制 PCB 电路板图,并且将原理图绘制完成后,再为 PCB 铺铜,让整个电路板看起来更形象。

可是,对于刚接触立创 EDA 的用户,要快速铺铜,那还是有点困难的。所以,本文为大家讲解立创 EDA 如何铺铜。
立创 EDA 铺铜教程
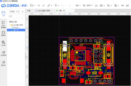
1. 首先,我们在立创 EDA 中,将需要铺铜的 PCB 电路板原理图导入进来,如下图。

2. 然后,我们在“层与元素”的窗口中选择需要铺铜的图层,再点击 PCB 工具中的“铺铜”。

3. 接下来,可以看到立创 EDA 的编辑区域,多了十字交叉的红色虚线,它可以方便我们精准定位。

4. 再用鼠标点击上一步定位的几个点,而这几个点便是立创 EDA 所要铺铜的位置。

5. 最后,将上述的几个点选中,立创 EDA 便开始执行铺铜的命令。当达到自己预想的铺铜效果时,便可以按下“ESC”键结束,完成铺铜操作,效果如下图所示。

用立创 EDA铺铜的过程中,要注意的是尽量准确定位铺铜的位置,这样在铺铜的过程中能避免反复修改。此外,要注意的是,立创 EDA 铺铜时,内部封闭的区域是需要我们用实心填充工具来手动填充的。